随着碳中和议题升温,电动自行车保有量迅速攀升,集中式快充站点日均充电频次呈倍数增长。传统方案在快充模块中已逼近效率与功率密度极限,发热、体积与可靠性矛盾日益突出。市场亟需兼顾冗余与安全的新型电源架构。
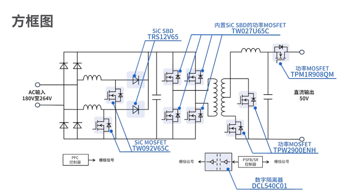
为应对上述市场需求,东芝半导体推出基于贴片式碳化硅(SiC)MOSFET的3kW电动自行车快速充电器电源参考设计,该设计结合了半无桥功率因数校正(PFC)电路和移相全桥(PSFB)转换器电路:PFC部分采用SiC MOSFET TW092V65C与SiC SBD TRS12V65,PSFB原边使用内置SiC SBD的功率MOSFET TW027U65C,副边采用功率MOSFET TPW2900ENH,数字隔离器DCL540C01用于栅极信号传输,功率MOSFET TPM1R908QM用于ORing。
在此组合下,230V输入、满载时效率高达94.8%,符合80 PLUS铂金级认证标准的高效设计;若省去ORing电路,效率还可进一步提升。功率器件与主板分离安装,缩小占板面积,实现高功率密度;布局及焊盘针对散热与噪声优化,并集成冗余ORing电路和辅助电源,提升可靠性与灵活性。

该电动自行车快速充电器电源采用了最先进的SiC MOSFET,实现了高效率、高密度和高可靠性,在设计创新和安全性上得到了大幅度提升。
关于东芝电子元件及存储装置株式会社
东芝电子元件及存储装置株式会社是先进的半导体和存储解决方案的领先供应商,公司累积了半个多世纪的经验和创新,为客户和合作伙伴提供分立半导体、系统LSI和HDD领域的杰出解决方案。
东芝电子元件及存储装置株式会社十分注重与客户的密切协作,旨在促进价值共创,共同开拓新市场,期待为世界各地的人们建设更美好的未来并做出贡献。



